Mórdhíol Scrobarnach Ceimiceach

  • Scrobarnach Ceimiceach

Scrobarnach Ceimiceach

Is scagaire sciúradh chun cinn é an scrubber ceimiceach. Úsáideann sé struchtúr speisialta agus limistéar mór dromchla sonrach de phacáil rialta mar aistriú mais agus pacáil díhiodráitithe. Ag an am céanna, de réir na gcomhpháirteanna éagsúla is cúis le boladh sa bholadh, úsáidtear an t-aigéad comhfhreagrach, alcaile agus ocsaídeach mar leacht níocháin ionsú chun an boladh sa spás a bhaint agus an tionchar ar an timpeallacht máguaird a dhíchur.

Iompraítear an sruth aeir gan bholadh tríd an ducht aeir agus téann sé isteach sa túr ó inlet an túir. Tar éis dul isteach sa túr, téann sé tríd an gciseal pacála ó bhun go barr, agus ar deireadh scaoiltear amach as an bpíblíne barr túr tríd an lucht leanúna frith-chreimeadh. Téann an tuaslagán neodraithe tríd an deighilteoir leachtach ag barr an túir, spraeáladh go cothrom isteach sa chiseal pacála, sreabhadh síos feadh dhromchla an chiseal pacála go dtí go scaoiltear amach as bun an túr tríd an bpíblíne, agus scaiptear é ag an gcaidéal cúrsaíochta frith-chreimeadh. De réir mar a thagann an tiúchan tuaslagóirí sa sreabhadh aeir ag ardú níos ísle agus níos ísle, baintear amach an fheidhm íonúcháin nuair a shroicheann sé barr an túir, agus déantar é a urscaoileadh nó a íonú tríd an gcéad chéim eile. Ar a mhalairt, déantar tiúchan an mheáin sa leacht íslitheach níos airde agus níos airde, agus sroicheann sé coinníollacha an phróisis nuair a shroicheann sé bun an túr agus a urscaoileadh as an túr.

Buntáistí an túr pacála spraeála: Tá ard-éifeachtúlacht aige, cumas coinneála leachtach beag, meáchan éadrom, agus oibriú éasca, rud a ligeann d'oibrithe tosú láithreach. Is féidir an filler a roghnú de réir na gcoinníollacha oibre a sholáthraíonn an custaiméir. Tá go leor cineálacha ann, agus úsáidtear fáinní liathróid creimeadh-resistant go ginearálta. Mar sin féin, ba chóir a thabhairt faoi deara go bhféadfadh ábhar soladach ar fionraí an filler a dhúnadh mar gheall ar a thrastomhas mór cáithníní, agus mar sin níl sé oiriúnach go ginearálta le haghaidh cóireáil ábhar soladach. Mar shampla, is féidir NH₃, HCl, H₂S, ocsaídí nítrigine agus gás dramhaíola orgánach a ghineann monarchana a chóireáil go héifeachtach leis an trealamh seo.

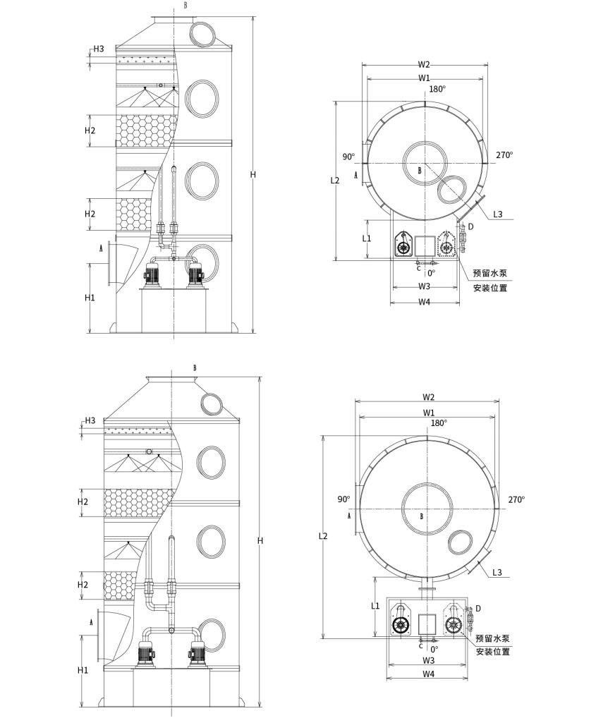
Struchtúr scrubber ceimiceach:
Mar a léirítear san fhigiúr: Áirítear na comhpháirteanna seo a leanas sa chóras scrobarnach spraeála pacáilte iomlán:

1. An comhlacht túr déanta as bileoga PP (polapróipiléine);

2. Fráma tacaíochta pacála déanta as painéil ghríl PP;

3. Píopaí nascála spraeála déanta as UPVC;

4. Soic bíseach PP;

5. Liathróid Hollow nó pacáil fáinne Pall;

6. Caidéal cúrsaíochta PP creimeadh-resistant;

7. Ciseal demister mogalra;

8. Feistí athsholáthair uisce láimhe agus uathoibríoch;

9. Píobáin thar maoil agus draenála;

10. Fuinneog iniúchta.

Roghnú scrubber ceimiceach:
Paraiméadar Teicniúil Tábla de Scrubber Sprae Pacáilte

Chun áisiúlacht agus sábháilteacht iompair a áirithiú, roinntear scrubbers spraeála pacáilte PP ina dhá chineál:

Cineál 1: Scrubber spraeála pacáilte umar uisce comhtháite (Trastomhas Túr: Φ1000mm-Φ2200mm)

Cineál 2: Scrobarnach spraeála pacáilte umar uisce cineál scoilte (Trastomhas Túr: Φ2500mm-Φ3500mm)


Sonraíochtaí Múnla a fhreagraíonn d'Acmhainn Sreafa Aeir:

Múnla Toirt aeir Méid an ghléis Cumhacht caidéil uisce Tiús líonadh Luas na gaoithe Ábhar trealaimh
LRTL-600 0-1500m³/u 600x3000 0.75kw 500*2 1.48m/s PP/304/Q235/FRP
LRTL-800 1501-2500m³/u Φ800x3000 0.75kw 500*2 1.39m/s PP/304/Q235/FRP
LRTL-1000 2501-4000m³/u 1000x5000 1.5kw 500*2 1.42m/s PP/304/Q235/FRP
LRTL-1200 4001-6000m³/u 1200x5000 2.2kw 500*2 1.48m/s PP/304/Q235/FRP
LRTL-1500 6001-9500m³/u 1500x5000 3.75kw 500*2 1.5m/s PP/304/Q235/FRP
LRTL-1800 9501-14000m³/u 1800x5000 5.5kw 500*2 1.53m/s PP/304/Q235/FRP
LRTL-2000 14001-17000m³/u Φ2000x6000 5.5kw 500*2 1.5m/s PP/304/Q235/FRP
LRTL-2200 17001-20000m³/u 2200x6000 7.5kw 500*2 1.46m/s PP/304/Q235/FRP
LRTL-2500 20001-27000m³/u 2500x6000 7.5kw 500*2 1.53m/s PP/304/Q235/FRP
LRTL-2800 27001-33000m³/u 2800x6000 15kw 500*2 1.49m/s PP/304/Q235/FRP
LRTL-3000 33001-38000m³/u 3000x6800 15kw 500*2 1.49m/s PP/304/Q235/FRP
LRTL-3200 38001-44000m³/u 3200x6800 15kw 500*2 1.52m/s PP/304/Q235/FRP
LRTL-3500 44001-55000m³/u 3500x6800 15kw 500*2 1.5m/s PP/304/Q235/FRP

Nóta: Is féidir dearaí neamhchaighdeánacha a shaincheapadh de réir riachtanais an chustaiméara.

Léaráid roghnúcháin:

Hangzhou Lvran um Chaomhnú Comhshaoil Grúpa Co, Teo.

  • 1000+

    Custaiméirí aonad seirbhíse

  • 2000+

    Cásanna Innealtóireachta Náisiúnta

Is soláthraí seirbhíse innealtóireachta córas cóireála gáis dramhaíola cuimsitheach agus monaróir trealaimh é Hangzhou Lvran Environmental Protection Group Co., Ltd, ag comhtháthú T & F, seirbhísí teicniúla, dearadh, táirgeadh, suiteáil innealtóireachta, agus seirbhís iar-díola.

We are China Scrobarnach Ceimiceach Suppliers and Wholesale Scrobarnach Ceimiceach Exporter, Company. Is fiontar náisiúnta ardteicneolaíochta é an Grúpa, fiontar eolaíochta agus teicneolaíochta i gCúige Zhejiang, ionad réigiúnach T&F, agus aonad creidmheasa ar rátáil AAA. Tá os cionn 30 paitinn mhúnla áirgiúlachta aige, an iliomad paitinní aireagáin, agus cóipchearta bogearraí. Tá comhoibriú teicniúil T&F le fada an lá ag an nGrúpa le hollscoileanna agus le hinstitiúidí intíre, lena n-áirítear an "Ionad T&F um Nuálaíocht Comhshaoil" a bunaíodh le hOllscoil Eolaíochta agus Teicneolaíochta Anhui agus an "Ionad T&F Teicneolaíocht Nua Fuinnimh agus Comhshaoil ​​​​Plasma" a forbraíodh i gcomhpháirt le hOllscoil Sci-Tech Zhejiang. Tá a bhonn T&F agus táirgthe féin bunaithe ag an nGrúpa do chomhoibriú teicniúil dhomhain. Tá croí-theicneolaíocht cóireála gáis VOC ag an nGrúpa, tá cáilíocht chonarthachta ginearálta Leibhéal 2 aige maidir le tógáil oibreacha poiblí bardasach, ceadúnas táirgeachta sábháilteachta, cáilíocht deartha speisialta Aicme B do rialú truaillithe comhshaoil ​​i gCúige Zhejiang, cáilíochtaí neamhrangaithe seirbhíse saothair, agus conraitheoireachta speisialaithe do thionscadail speisialta. Tá an Grúpa deimhnithe go ISO9001 do cháilíocht idirnáisiúnta, ISO14001 do bhainistiú comhshaoil, agus ISO45001 do shláinte agus sábháilteacht cheirde.

ONÓIR & TEASTAS

Léiríonn na honóracha seo a leanas ár brilliance. Tá táirgí ardchaighdeáin buaite againn do chustaiméirí agus buaileann muid ardmholadh ón margadh agus ó gach gné den saol le seirbhísí maithe.

  • Aonad bunúsach réimse leictrigh ardchineál pláta agus imoibreoir chun sceitheadh ​​feadh an dromchla a chosc
  • Feiste imoibriúcháin chun meatánól a shintéisiú trí úsáid a bhaint as dé-ocsaíd charbóin agus uisce agus modh chun meatánól a shintéisiú trí úsáid a bhaint as dé-ocsaíd charbóin agus uisce
  • Precipitator leictreastatach féin-ghlanadh
  • Lucht leanúna ardbhrú creimeadh-resistant le feidhm coigeartaithe treo na gaoithe
  • Lucht leanúna ard-acmhainne féin-ghlanadh inchoigeartaithe
  • Córas rialaithe réamhchóireála réamhchóireála gáis sceite gásúcháin catalaíoch
  • Glanadh gaile réimse leictreastatach leanúnach córas íonú agus cóireála gáis sceite
  • Córas trealaimh íonú gáis sceite fótalysis UV plasma teocht íseal
  • Deimhniú clárúcháin trádmharc
Nuacht agus Imeachtaí le déanaí
Roinn leat
Féach ar Tuilleadh Nuachta