Mórdhíol Pláta Cyclone Scrubber Wet

  • Pláta Cyclone Scrubber Wet

Pláta Cyclone Scrubber Wet

Is gnách go mbíonn corp túir sorcóireach feistithe le plátaí sciath bíseach sa túr scrobarnach cioclóin. Le linn na hoibríochta, téann gás múcháin isteach ó bhun an túir go tadhlaíoch agus sreabhann sé aníos. Treoraithe ag lanna na plátaí sciath, bíseach an gháis aníos, adamhaíonn an leacht ag sreabhadh síos na plátaí isteach braoiníní mín. Cruthaíonn sé seo limistéar teagmhála mór gás-leachtach. Iompraítear na braoiníní ag an sruth gáis agus rothlaíonn siad, ag giniúint fórsa lártheifeacha a fheabhsaíonn idirghníomhaíocht gáis-leachtach. Faoi dheireadh, caitear na braoiníní ar bhalla an túr, sreabhann siad síos ar feadh an bhalla go dtí an chéad phláta sciath eile, agus déantar iad a ath-adamhú ag an sruth gáis le haghaidh tuilleadh teagmhála. Mar a thuairiscítear, sroicheann an leacht teagmháil críochnúil leis an ngás agus deighilt éifeachtach á choinneáil ag an leacht – ag íoslaghdú srianadh ceo. Tá acmhainn ualaigh gás-leachtach an chórais seo níos mó ná dhá oiread níos mó ná na gnáthphlátaí sciath.

Cinntíonn coinníollacha teagmhála gáis-leacht den scoth an túr ionsú éifeachtach gás dramhaíola ag leachtanna alcaileach. Ina theannta sin, léiríonn an túr scrobarnach cioclóin feidhmíocht bhaint deannaigh níos fearr. Gabhtar cáithníní deannaigh sa ghás le ceo uisce ar na plátaí sciath bíseach, agus baintear go héifeachtach freisin cáithníní agus braoiníní a chaitear ar bhalla an túr le fórsa lártheifeacha. Mar thoradh air sin, iompraíonn an gás a théann amach as an túr mórán deannaigh agus braoiníní. Tá luas gaoithe an túr folamh idir 2.2–2.7 m/s.

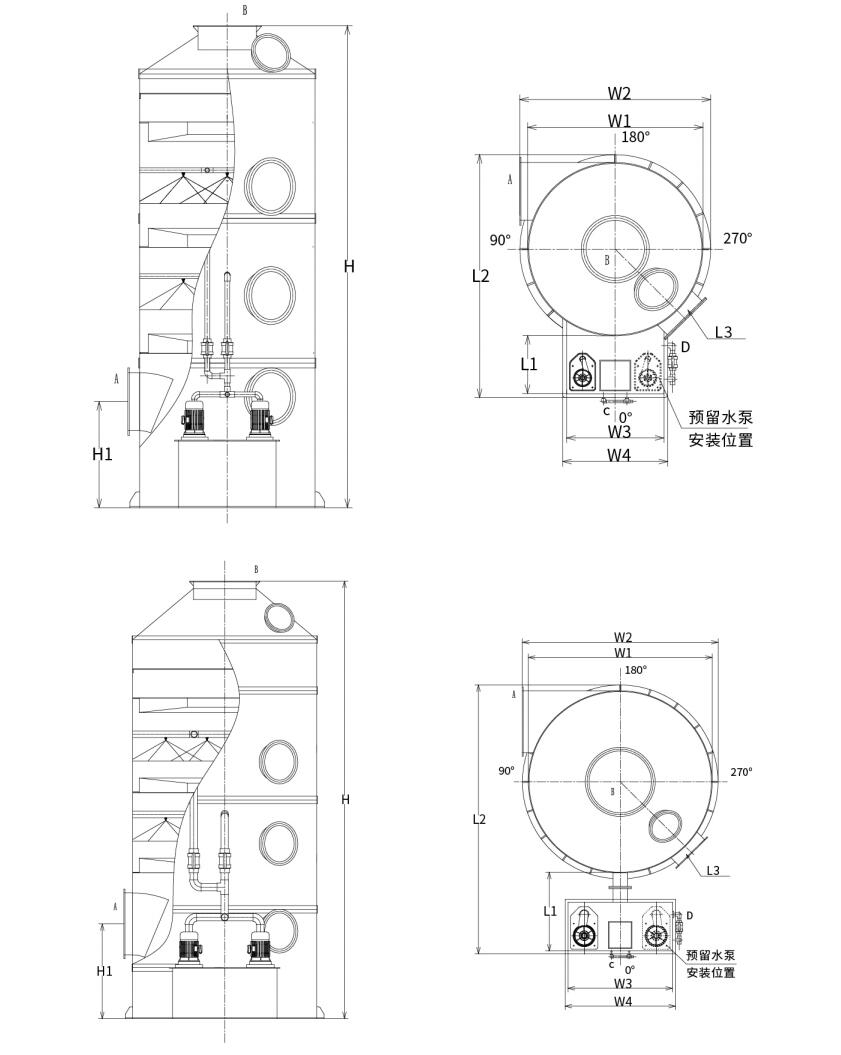
Struchtúr túr spraeála sclóine:
Mar a léirítear san fhigiúr: Áirítear na comhpháirteanna seo a leanas sa chóras scrobarnach spraeála pacáilte iomlán:

● Comhlacht túr déanta as bileoga PP (polapróipiléine);

● Fráma déanta le sciatha bíseach PP;

● Píopaí nasctha spraeála déanta as UPVC (clóiríd polaivinile neamhphlaisteach);

● soic bíseach PP;

● Caidéal cúrsaíochta PP creimeadh-resistant;

● Ciseal demister (cineál mogaill/cioclón/sciath);

● Feistí láimhe agus uathoibríoch um athsholáthar uisce;

● Píobáin thar maoil agus draenála;

● Fuinneog iniúchta.

Paraiméadair roghnúcháin túr pláta cioclóin:
Chun áisiúlacht agus sábháilteacht iompair a áirithiú, roinntear túir scrobarnach PP cioclón ina dhá chatagóir sonraíochta:

Cineál 1: Scrubber cioclón umar uisce comhtháite (Trastomhas Túr: Φ1000mm-Φ2200mm)

Cineál 2: Scrobarnach cioclón umar uisce de chineál scoilte (Trastomhas Túr: Φ2500mm-Φ3500mm)


Samhlacha túr scrobarnaí cioclóin a fhreagraíonn do chumas sreafa aeir:

Múnla Raon toirte aeir Méid an ghléis Cumhacht caidéil uisce Líon na lanna swirl Raon luas na gaoithe Ábhar trealaimh
XL-600 0-2800m³/u 600×2950 0.75kw 2 0-2.76m/s PP/304/Q235/FRP
XL-800 3800-5000m³/u Φ800×3300 0.75kw 2 2.11-2.77m/s PP/304/Q235/FRP
XL-1000 6000-7500m³/u 1000×4380 1.5kw 2 2.13-2.66m/s PP/304/Q235/FRP
XL-1200 8500-11000m³/u 1200×4430 2.2kw 2 2.09-2.71m/s PP/304/Q235/FRP
XL-1500 14000-17000m³/u 1500×5000 3.75kw 2 2.2-2.68m/s PP/304/Q235/FRP
XL-1800 20000-25000m³/u 1800×5650 5.5kw 2 2.19-2.73m/s PP/304/Q235/FRP
XL-2000 25001-30000m³/u Φ2000×6200 5.5kw 2 2.21-2.66m/s PP/304/Q235/FRP
XL-2200 30001-37000m³/u 2200×6700 7.5kw 2 2.19-2.71m/s PP/304/Q235/FRP
XL-2500 40000-47000m³/u 2500×6850 7.5kw 2 2.27-2.66m/s PP/304/Q235/FRP
XL-2800 49000-58000m³/u 2800×7900 11kw 2 2.21-2.62m/s PP/304/Q235/FRP
XL-3000 58000-68000m³/u 3000×8000 11kw 2 2.28-2.67m/s PP/304/Q235/FRP
XL-3200 68000-78000m³/u 3200×8000 15kw 2 2.35-2.7m/s PP/304/Q235/FRP
XL-3500 78000-88000m³/u 3500×8000 15kw 2 2.25-2.54m/s PP/304/Q235/FRP

Nóta: Is féidir dearaí neamhchaighdeánacha a dhéanamh de réir riachtanais an chustaiméara.

Léaráid roghnúcháin:

Hangzhou Lvran um Chaomhnú Comhshaoil Grúpa Co, Teo.

  • 1000+

    Custaiméirí aonad seirbhíse

  • 2000+

    Cásanna Innealtóireachta Náisiúnta

Is soláthraí seirbhíse innealtóireachta córas cóireála gáis dramhaíola cuimsitheach agus monaróir trealaimh é Hangzhou Lvran Environmental Protection Group Co., Ltd, ag comhtháthú T & F, seirbhísí teicniúla, dearadh, táirgeadh, suiteáil innealtóireachta, agus seirbhís iar-díola.

We are China Pláta Cyclone Scrubber Wet Suppliers and Wholesale Pláta Cyclone Scrubber Wet Exporter, Company. Is fiontar náisiúnta ardteicneolaíochta é an Grúpa, fiontar eolaíochta agus teicneolaíochta i gCúige Zhejiang, ionad réigiúnach T&F, agus aonad creidmheasa ar rátáil AAA. Tá os cionn 30 paitinn mhúnla áirgiúlachta aige, an iliomad paitinní aireagáin, agus cóipchearta bogearraí. Tá comhoibriú teicniúil T&F le fada an lá ag an nGrúpa le hollscoileanna agus le hinstitiúidí intíre, lena n-áirítear an "Ionad T&F um Nuálaíocht Comhshaoil" a bunaíodh le hOllscoil Eolaíochta agus Teicneolaíochta Anhui agus an "Ionad T&F Teicneolaíocht Nua Fuinnimh agus Comhshaoil ​​​​Plasma" a forbraíodh i gcomhpháirt le hOllscoil Sci-Tech Zhejiang. Tá a bhonn T&F agus táirgthe féin bunaithe ag an nGrúpa do chomhoibriú teicniúil dhomhain. Tá croí-theicneolaíocht cóireála gáis VOC ag an nGrúpa, tá cáilíocht chonarthachta ginearálta Leibhéal 2 aige maidir le tógáil oibreacha poiblí bardasach, ceadúnas táirgeachta sábháilteachta, cáilíocht deartha speisialta Aicme B do rialú truaillithe comhshaoil ​​i gCúige Zhejiang, cáilíochtaí neamhrangaithe seirbhíse saothair, agus conraitheoireachta speisialaithe do thionscadail speisialta. Tá an Grúpa deimhnithe go ISO9001 do cháilíocht idirnáisiúnta, ISO14001 do bhainistiú comhshaoil, agus ISO45001 do shláinte agus sábháilteacht cheirde.

ONÓIR & TEASTAS

Léiríonn na honóracha seo a leanas ár brilliance. Tá táirgí ardchaighdeáin buaite againn do chustaiméirí agus buaileann muid ardmholadh ón margadh agus ó gach gné den saol le seirbhísí maithe.

  • Aonad bunúsach réimse leictrigh ardchineál pláta agus imoibreoir chun sceitheadh ​​feadh an dromchla a chosc
  • Feiste imoibriúcháin chun meatánól a shintéisiú trí úsáid a bhaint as dé-ocsaíd charbóin agus uisce agus modh chun meatánól a shintéisiú trí úsáid a bhaint as dé-ocsaíd charbóin agus uisce
  • Precipitator leictreastatach féin-ghlanadh
  • Lucht leanúna ardbhrú creimeadh-resistant le feidhm coigeartaithe treo na gaoithe
  • Lucht leanúna ard-acmhainne féin-ghlanadh inchoigeartaithe
  • Córas rialaithe réamhchóireála réamhchóireála gáis sceite gásúcháin catalaíoch
  • Glanadh gaile réimse leictreastatach leanúnach córas íonú agus cóireála gáis sceite
  • Córas trealaimh íonú gáis sceite fótalysis UV plasma teocht íseal
  • Deimhniú clárúcháin trádmharc
Nuacht agus Imeachtaí le déanaí
Roinn leat
Féach ar Tuilleadh Nuachta